XSQ-K200 限速器

XSQ-K200 限速器

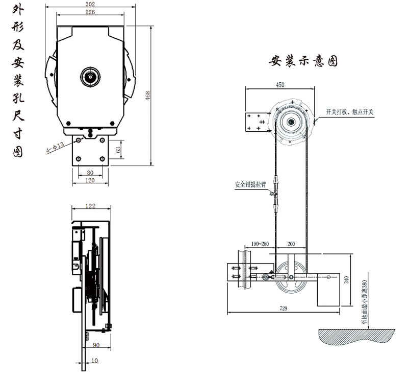
1、额定速度:0.5-1.75m/s
2、钢丝绳涨紧力:750±250N
3、钢丝绳直径:Φ0 6mm
4、绳轮节圆直径:Φ200mm
5、电梯提升高度:H≤80M   涨紧装置涨紧力:300N
6、电磁铁参数:标配直流DC24V 选配交流AC220V
1.Rated speed:0.5-1.75m/s
2.Rope tension:750±250N
3.Diameter of wire rope:Φ0 6mm
4.The rope round the pitch diamete:Φ200mm
5.The elevator lifting height:H≤80M Tensioning device of tight force:300N

6.Electromagnet parameters:Standard DC24V Matching AC220V

电话:0513-69889623
邮编:226600 E-mail:domestic_sales@nttongyang.com
版权所有:多盈手机体育在线 地址:江苏省海安市高新区镇南路555号